Image
Электрические и гидравлические актуаторы для мебели и медицинского оборудования
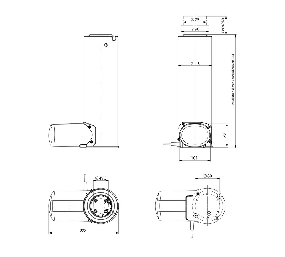
Подъемная колонна Gamma Colonne III

Подъемная колонна Gamma Colonne III

Электрическая подъемная колонна ГАММА КОЛОННА III

Этот линейный актуатор  имеет  чрезвычайно четкое, тихое движение. С высококачественной линейной направляющей.

Опционально оснащен потенциометром для определения текущей позиции штока. Может использоваться в системах с памятью положения.

Предназначен для использования в больничных и лечебных кроватях.

 

Динамическая грузоподъемность: макс. 2000 Н в качестве центральной нагрузки; максимум 350 Н при длине рычага 400 мм

Статическая нагрузка: макс. 1000 Н при длине рычага 400 мм

Скорость регулировки: макс. 14,5 мм / сек *

Длина хода: 400 мм

3-х элементная алюминиевая колонна, 2-х ступенчатая телескопическая вверх.

* в зависимости от конфигурации привода при 24/29 В постоянного тока без нагрузки.

STANDARD CONFIGURATIONS

: Performance data :
Dynamic load capacity : max. 2000 N as central load max. 350 N at 400 mm lever arm length
Static load : max. 1000 N at 400 mm lever arm length
Adjustment speed * : max. 14.5 mm/sec.
Stroke length : 400 mm
Fitting dimension : 370 mm
Duty cycle : 2/18 min. or 10 %, max. 5 switching cycles per minute
Motor voltage : maintenance-free 24 V DC motor
: Components :
Limit switch : with micro switch
Guidance profile : aluminium anodised
Housing colour : light grey RAL 7035
Motor connecting line : grey, straight, 2000 mm, LSP-plug, PVC grey, straight, 1600 mm, 8-pole DIN-plug, PVC grey, spiralled, 560 mm, LSP-plug, PVC
: Further data :
Protection type : max. IPX6
Protection class : III
Relative humidity : 30% – 75%
Ambient temperature : +10°C - +40°C

EXTRA CONFIGURATIONS

: Components :
Position feedback : potentiometer
: Further data :
Assembly options : base plate for direct screw connection, fitting sleeve
Equipment options : anti-twist device up to max. 100 Nm

*

* depending on drive configuration at constant 24/29 V DC without load :
Политика конфиденциальности

115516, г. Москва, ул.Промышленная д.11, строение 3, оф.654

7 (499) 963-3098 (многоканальный)

7 (495) 507-48-49

info@mbe-center.ru

Задать вопрос

Please fill the required field.